電話:0713-2115858
0713-2115868
電話:0713-2115858
0713-2115868

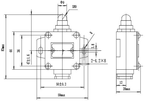
產品性能:
適用于交流50Hz~60Hz,AC380V;DC220V;電流3A的控制線路中,將機械運動轉變成電氣信號,作為機床、機械自動控制限制運動機構動作或自動化程序控制之用。
正常工作在海拔2500m;環境溫度-25℃+40℃;周圍環境濕度90%;操作頻率1200次/小時;防護等級IP65。
結構形式和特點:
直動保護式,能自動復位(直進線)
觸頭對數:
NC 1 NO 1