電話:0713-2115858
0713-2115868
電話:0713-2115858
0713-2115868
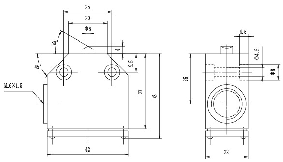
安裝尺寸:

技術參數:
組合行程開關具有較高重復定位精度、防護等級高、壽命長、動作可靠等特點、特別適用于要求精度準確的場合。
可用于各類數控機床、組合機床、各種動力、液壓滑臺及自動流水線等機械設備的電氣控制系統中。
額定絕緣電壓:Ui=220V
約定發熱電流:Ith=5安
觸頭類型:二組常開常閉(滾輪/錐角)、三組常開常閉(滾輪/錐角)、四組常開常閉(滾輪/錐角)。